I know of seven KIM-1 revisions, labeled Rev A-G and the first one unlabeled. Rev C is unknown!
What changed between these revisions?
Not much. The PCB underwent several changes around the logo area, from KIM-1 MOS to Commodore C-MOS. That happened from Rev A to Rev D, indicating the takeover by Commodore of MOS Technology. And some small numbers/artefacts etched in various Revs. The big change was in the clock circuit between the first edition and Rev A.
Some have serial numbers, the first ones on the back on the right, later had stamped/written numbers like PAxxx (Palo Alto) and SCxxx (Santa Clara) of Commodore production facilities
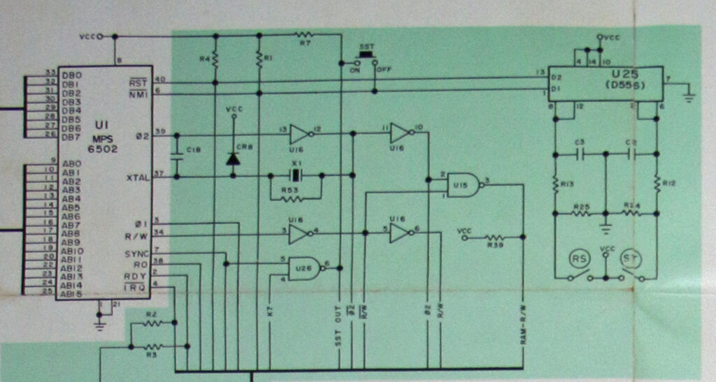
Clock circuit change
The first batch of KIM-1 suffered from the issue that the clock would not start. It was fixed in Rev A, with more components and a change in PCB layout.

