The 6530 and 6532 are very close in functionality.
Nearly the same timer, 2 8 bit I/O ports, RAM.
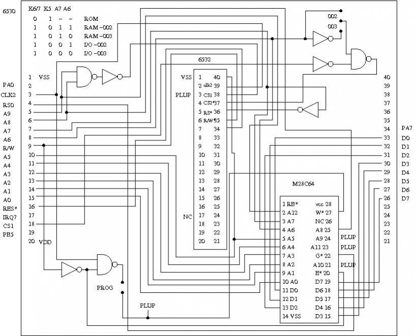
With an external ROM and some clever addressing logic many 6530’s have been replaced with a 6532.
Here some examples:
- KIM 6530 to 6532 for a KIM-1 clone
- KIM 6530 replacement board
- Allied Leisure pinball machines
- 6530 replacement Commodore
- Gottlieb sound board
- Corsham replacement board for the KIM-1
- Eduardo Casino 6530 replacement board for the KIM-1
- Retrospy Technologies 6530 replacement
Design by Dwight Elvey

See also:
R65 - A late seventies computer built with a KIM-1
R65 - A late seventies computer built with a KIM-1 by Rene Richarz.
All information on the R65 and the emulator of th...
6502 analyzer: what CPU is this?
With the Chinese changing the prints on the IC's, one can never be sure with a 6502 which it is. I have for example ...
KEMPAC SYSTEM Microcomputers
Under the name KEMPAC SYSTEM Eurocards and Microcomputers for Industrial Automation a 19 inch rack system was developed ...
Jolt Replica by Eduardo Casino
Eduardo Casino has created a faithful replica of the Jolt single board computer. Tested! Working!
The replica design is...