Photos of a BEM system, by Gerben Voort
Gerben Voort acquired a 6502 system and made photos of the system. A backplane, the BEM bus, a 6502 based CPU card, a double VIA card, a battery backed up memory card.







About small SBC systems
Photos of a BEM system, by Gerben Voort
Gerben Voort acquired a 6502 system and made photos of the system. A backplane, the BEM bus, a 6502 based CPU card, a double VIA card, a battery backed up memory card.







Brutech and the Radio Bulletin magazine worked together. The hardware produced or resold by Brutech was offered to the magazine for reviews. And Brutech placed many advertisements in the magazine. I visited the Brutech offices several times, it was close to where I lived.
![]() |
BEM-1 card, as used in the KIM memory expansion article November 1977 |
![]() |
The BEM bus |
![]() |
Brutech sold the VIM-1 and SYM-1, with their cards as expansions. Review in Radio Bulletin November 1978 |
![]() |
Brutech sold also the PC100, the Siemens OEM version of the AIM 65. Again the expansions could be used, same bus. Review in Radio Bulletin August 1980 |
![]() |
The AIM 65 and KTM-2 packaged as the Samson system,. the BEM-4 memory card, the SYMP universal programmer. Review in Radio Bulletin November 1980 |
![]() |
BEM RTC1 card, advert in the RB CB Special 1980 |
![]() |
BEM-Impact 1000, a BEM-bus based development system, review in Radio Bulletin Oktober 1980 |
![]() |
BEM Eurocard system, article by C.J. Bruyn, on the BEM bus, BEM-MON-1 (a TIM 6530 004 system!) and other cards |
![]() |
![]() Micro-gebeuren november 1977, BEM-1, other BEM cards |
![]() |
Micro-gebeuren April 1980, BEM-PSIO-1 USART card, BEM-AD3, BEM-AD4 |
![]() |
Micro-gebeuren Mei 1980, BEM-6 16/32K EPROM card |
The KIM-1 came from MOS Technology and Commodore without a case or power supply. So you either build your own housing or looked at what other firms sold for the KIM-1.
There was a lot on offer, mostly targeted at system expansion with large cases.
One of the cases you saw quite often was this case. It came with one of my KIM-1’s. Small, simple and effective
A perfect solution for an unexpanded KIM-1. Quite popular in education. Add a power supply and you can start using it without exposing the electronics. The LED display was behind a red plexiglas cover, so that improves readability.





The KIM-1 came from MOS Technology and Commodore without a case or power supply. So you either build your own housing or looked at what other firms sold for the KIM-1.
There was a lot on offer, mostly targeted at system expansion with large cases.
One of the cases you saw quite often was this case. It came with one of my KIM-1’s. Small, simple and effective
A perfect solution for an unexpanded KIM-1. Quite popular in education. Add a power supply and you can start using it without exposing the electronics. The LED display was behind a red plexiglas cover, so that improves readability.





Brutech, a small Dutch company, made industrial quality microprocessor systems. 6502, 6809, process control.
Gerben Voort acquired a 6502 system and made photos of the system. A backplane, the BEM bus, a 6502 based CPU card, a double VIA card, a battery backed up memory card.
Read more about Brutech here.






I know of seven KIM-1 revisions, labeled Rev A-G and the first one unlabeled. Rev C is unknown!
What changed between these revisions?
Not much. The PCB underwent several changes around the logo area, from KIM-1 MOS to Commodore C-MOS. That happened from Rev A to Rev D, indicating the takeover by Commodore of MOS Technology. And some small numbers/artefacts etched in various Revs. The big change was in the clock circuit between the first edition and Rev A.
Some have serial numbers, the first ones on the back on the right, later had stamped/written numbers like PAxxx (Palo Alto) and SCxxx (Santa Clara) of Commodore production facilities
Clock circuit change
The first batch of KIM-1 suffered from the issue that the clock would not start. It was fixed in Rev A, with more components and a change in PCB layout.

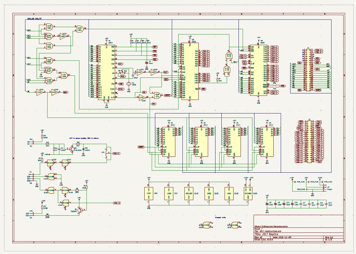
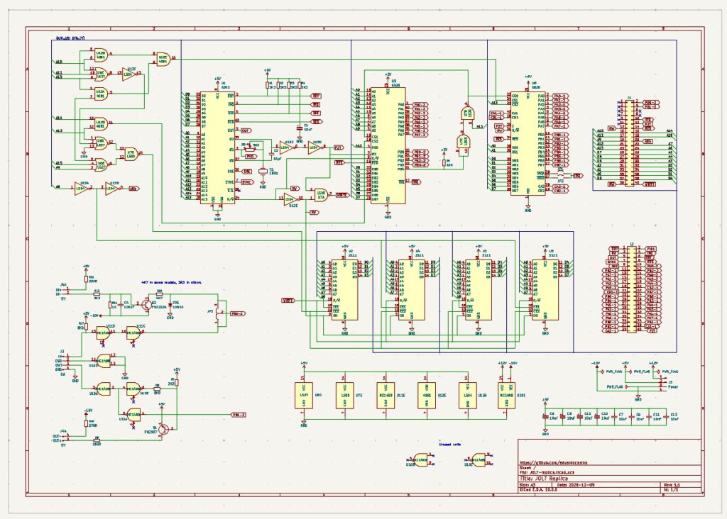
Eduardo Casino has created a faithful replica of the Jolt single board computer. Tested! Working!
The replica design is available on GitHub, A faithful reproduction of the JOLT




A faithful replica of the Microcomputer Associates Inc. JOLT computer, based on photos and information gathered from various sources on the internet.
The JOLT was the first 6502‑based computer kit to be commercially released, beating the KIM‑1 to market by several weeks; the latter would launch in January of the following year. It is a small SBC featuring a 6820 PIA and the 6530‑004 RIOT, also known as TIM‑1. It includes 512 bytes of RAM, a teletype interface, and an RS‑232 interface. The 6530‑004 contains, in its 1K ROM, the monitor software DEMON, also simply referred to as TIM.
Eduardo Casino has created a faithful replica of the Jolt single board computer. Tested! Working!
The replica design is available on GitHub, A faithful reproduction of the JOLT




A faithful replica of the Microcomputer Associates Inc. JOLT computer, based on photos and information gathered from various sources on the internet.
The JOLT was the first 6502‑based computer kit to be commercially released, beating the KIM‑1 to market by several weeks; the latter would launch in January of the following year. It is a small SBC featuring a 6820 PIA and the 6530‑004 RIOT, also known as TIM‑1. It includes 512 bytes of RAM, a teletype interface, and an RS‑232 interface. The 6530‑004 contains, in its 1K ROM, the monitor software DEMON, also simply referred to as TIM.
Here a proposal for a Bill of Material shopping list
BOM Jolt V3
U9 6530-004 NOS
U1 6502 NOS
U8 6821 NOS
U2, U3, U4, U5 2111 NOS
U6 74LS27 Mouser 595-SN74LS27N
U7 74LS00 Mouser 595-SN74LS00N
U13 74LS04 Mouser 595-SN74LS04N
U12 CD4081BE Mouser 595-CD4081BE
U10 1488 SN75188 Mouser 595-SN75188N
U11 1489 SN75189 Mouser 595-SN75189AN
CR1 1N914 Mouser 512-1N914
Q1 transistor 2N2907 T0-18 Mouser 494-2N2907A
Q2 transistor 2N2222 TO-18 Mouser 494-2N2222A
C1, C6, C8, C10, C12 tantalium 10 uF 25V Mouser TAP106K050CCS or
https://electronicparts-outlet.com/nl/tantaal-condensatoren-3-35v.html 10 uF 35V (exact size and color)
C7, C9, C11, C13 ceramic disc 10nF Mouser 75-562R5HKS10 (may be a little too big)
C2 10 pF Mouser 598-CD15CD100JO3F
C4 100nF Mouser 871-B32529C1104K000
R1, R2, R3, R4, R7, R12 3K3 1/4 W
R6, 10K 1/4 W
R8, R17 5K6 1/4 W
R14 1K 1/4 W
R16 4K7 1/4 W
R9 180 1/2 W
R10 270 1/2 W
R11 220 1/2 W
R5 Potentiometer 50K Mouser 531-PTC10V-50K or Mouser 652-3339P-1-503LF
J1 2×20 pin connector Double row MALE 2.54MM PITCH Right Angle PIN Header connector 2×20
J2 2×20 pin connector Double row MALE 2.54MM PITCH Right Angle PIN Header connector 2×20
7x IC socket 14 pin
4x IC socket 18 pin
Optional but recommended:
520-ECS-10-13-1XH Crystal HC49U 1 MHz (the large Quartz crystal 1.0 MHz HC6/U is very rare)
The KIM-1 Simulator has seen a large update.
A new piece of hardware is added, the SD Card/RTC Shield by Corsham Technology.
This addition has been written by Eduardo Casino. Lots of code contributed, thanks Eduardo!
He also added support for two operating systems using the SD Shield, xKIM by Bob Applegate and CP/M-65 by David Given.
The problem with local language keyboard layouts is solved by Eduardo. Now the host operating system takes care of the different layout.
The documentation has been enhanced and moved from a local limited html file to an online version.
The keyboard and online improvements have been ported by me to the TIM/Jolt Simulator.

CP/M-65 is a native port of Digital Research’s seminal 1977 operating system CP/M to the 6502.
Developed by David Given. Ported to many 6502 systems, see the original github archive.
Currently you can cross-assemble programs from a PC, as well as a working C toolchain with llvm-mos. For native development, there’s a basic assembler, a couple of editors, a BASIC, and a byte-compiled Pascal subset and interpreter.
Eduardo Casino ported CP/M-65 to the KIM-1 with an MTU K-1013 FDC, directly connected SD card module, the 1541 drive or Corsham Technology SD CARD/RTC Shield.
And now Eduardo has ported a version special to the KIM-1 Simulator with SD Card/RTC Shield simulation. See his fork of CP/M-65 on his github archive. Several branches are available, development versions with a.o. the KIM-1 Simulator version.
The main changes are to support the KIM-1 Simulator character I/O, using the ACIA simulation instead of low level KIM-1, for non-blocking character input.
How to start CP/M-65
To start using the SD Card/RTC Shield go to the menu settings.

Make sure the first disk mounted is CPM-BOOT.DSK. The DSK files are in the SDCARD folder.
Now you start CP/M-65.
Load the file bootshield.pap into memory with File – Load file in Memory – papertape.
The file is in the SDCARD folder.


Alternative boot program
In the SDCARD folder you find a second boot program called bootsdshield-kimrom.bin
This one can be placed in the unused 6530-003 ROM area, the same idea as Wozmon for the KIM-1.
The advantage is that this is not overwritten by CP/M-65,
Load at $1AA0, start at $1AA0.
The disks, stored in files with type .DSK are in the SDCARD folder. You can mount/dismount/create disks from the Settings screen.
You can have as many as four.
On the Settings screen the disks mounts are shown. Click on the name of a mounted disk or an empy Mount, to go to the Mount Disk dialog. Mount/Dismount here, in Write or read Only mode.

Press the the three … next to the field Image file to select or create a disk image.

Press New and you get the New diskimage dialog.


There is also the IMU utility in CP/M-65 to work with disks from within CP/M-65: mount/unmount, list the directory of the SDCARD folder. create/delete and copy.


Example session
KIM
0200 D8
KIM
0200 D8 G
CP/M-65 for the KIM-1
A>dir
A: SCRVT100 COM : IMU COM
A: IMU TXT : SYS COM
A: PASC PAS : ASM TXT
A: HELLO ASM : DEMO SUB
A: ASM COM : ATTR COM
A: BEDIT COM : CAPSDRV COM
A: COPY COM : CPUINFO COM
A: DEVICES COM : DINFO COM
A: DUMP COM : LS COM
A: STAT COM : SUBMIT COM
A: MORE COM : BEDIT ASM
A: BEDIT TXT : DUMP ASM
A: LS ASM : CPM65 INC
A: DRIVERS INC : ATBASIC COM
A: ATBASIC TXT : OBJDUMP COM
A: MKFS COM : ADM3ADRV COM
A: ADM3ATST COM : CLS COM
A: LIFE COM : QE COM
A: SCRNTEST COM : VT52DRV COM
A: VT52TEST COM : KBDTEST COM
A: MBROT COM : DS COM
A: DS TXT : PINT COM
A: PASC OBB : PLOAD COM
A: HELLO PAS : IMU3 TXT
A: HELLO SYM
A>pint PASC.OBB PASC.PAS PASC.OBS
Pascal-M interpreter for CP/M-65: B66F bytes free
Pascal-M compiler V2k1 for CP/M-65
Processing: writeerr
Processing: beginlin
Processing: endline
Processing: error
Processing: stringsi
Processing: nextchar
Processing: insymbol
Processing: enterid
Processing: searchse
Processing: searchid
Processing: getbound
Processing: hexout
Processing: writeout
Processing: bytegen
Processing: wordgen
Processing: genujpen
Processing: plantwor
Processing: skip
Processing: test1
Processing: test2
Processing: intest
Processing: constant
Processing: comptype
Processing: isstring
Processing: simplety
Processing: fieldlis
Processing: typ
Processing: constdec
Processing: typedecl
Processing: vardecla
Processing: paramete
Processing: procdecl
Processing: ldcigen
Processing: ldagen
Processing: lodgen
Processing: condgen
Processing: loadsetc
Processing: cspgen
Processing: incgen
Processing: load
Processing: store
Processing: loadaddr
Processing: falsejum
Processing: calluser
Processing: selector
Processing: variable
Processing: processt
Processing: readproc
Processing: processt
Processing: writepro
Processing: newstate
Processing: releases
Processing: resetrew
Processing: closepro
Processing: assignpr
Processing: getcomma
Processing: ordfunc
Processing: succfunc
Processing: predfunc
Processing: chrfunc
Processing: oddfunc
Processing: eofeolns
Processing: callnons
Processing: call
Processing: opgen
Processing: setexpre
Processing: factor
Processing: term
Processing: simpleex
Processing: expressi
Processing: assignme
Processing: compound
Processing: ifstatem
Processing: casestat
Processing: repeatst
Processing: whilesta
Processing: forstate
Processing: statemen
Processing: body
Processing: block
Processing: stdnames
Processing: enterstd
Processing: enterstn
Processing: enterund
Processing: initiali
Processing: compileh
Processing: compilep
Processing: skipspac
Processing: getword
Processing: findend
Processing: openfile
Processing: closefil
Processing: dumperro
Processing: cpascalm
Compilation successful.
No compilation errors PASC.PAS
A>pload PASC.OBS PASC.OBB
Opening input file...
Opening output file...
Reading OBP...
Seen 94 procedures
Writing output file...
Closing output file...
Success.
A>type HELLO.PAS
program HelloWorld;
begin
writeln('Hello from Pascal!')
end.
A>
A>pint PASC.OBB HELLO.PAS HELLO.OBS
Pascal-M interpreter for CP/M-65: B66F bytes free
Pascal-M compiler V2k1 for CP/M-65
Processing: hellowor
Compilation successful.
No compilation errors HELLO.PAS
B>A:pload A:HELLO.OBS HELLO.OBB
Opening input file...
Opening output file...
Reading OBP...
Seen 1 procedures
Writing output file...
Closing output file...
Success.
B>A:pint HELLO.OBB
Pascal-M interpreter for CP/M-65: B66F bytes free
Hello from Pascal!
B>