Small enough to take with you traveling, battery powered and thanks to the FRAM the contents of RAM are kept when powered off.
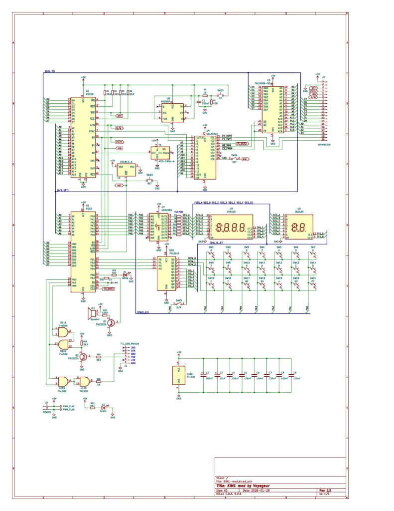
The FM1808 used is a non-volatile RAM (32Kx8), used here for ROM and RAM. Datasheet here.
This design appeared in the Google group devoted to the PAL-1 and PAL-1 (and the KIM-1 of course).
The design is by Voyageur.


And this is how Voyageur describes it:
A modified replica, created for travel and easy to use. The acrylic case is supposed to protect the plate.
Board format 10 x 15 cm, 32 KB of RAM and/or ROM, an expansion connector for daughter-boards, a speaker and a white LED for debugging purpose.
Some other explanations :
The original casing comes from a ‘Schumann wave generator’ sold on eBay as is.
I therefore decided to use this casing for my KIM1 travel project. It had to be cut down a bit to allow access to the keyboard.
- my version of the Memory Map (see below) or here ‘MemoryMap.txt’
- the GAL manages all addresses between RAM, ROM and I/O (from $0000 to $FFFF).
See here the ‘KIM1mod.pld’
and it’s easy to change the addresses with WinCUPL and to adapt to any need… - the FRAM RAMTRON FM1808 can keep out of power all the contents of the ROM and the RAM
(here is a 32 KB capacity). - the speaker is linked to PB7 of the RIOT 6532 (which is not used for Tape).
- the white LED is linked to PB6 of the RIOT 6532.
- the Monitor location (ROM as specified in KIM1mod.pld) has the KIM-1 6530-002 (I don’t plan to use the TAPE storage) and the WozMon.
- the small USB TTL is a CH340E module, non expensive and easy to find a place on a board. I use a USB C retractable cable.
- the portable power supply is fit with a 5V Step-Up/Step-Down small module from Pololu and can accept four rechargeable or Alkaline batteries.
- the KIM-1 MOD current used is less than 175 mA
- the NE555 has the same function as half the 556 in the KIM-1 circuit diagram (about the \NMI STOP switch).
- the 20 pin expansion connector accepts any daughter-board equipped with 65(C)22, 6821, 82C55, 6850, or ….
- the RESET circuit is a DS1813-10.



--------------------------------------------- | MEMORY MAP | | | | $E000...$FFFF ROM User 8 K | | and 6502 vectors | | | | $6000...$DFFF not used 32 K | | | | $2000...$5FFF RAM3 16 K | | | | $1800...$1FFF ROM Monitor 2 K | | | | $1780...$17FF RAM2 128 B | | | | $1740...$177F \CS RIOT 64 B | | $1720...$173F \CS EXT2 32 B | | $1700...$171F \CS EXT1 32 B | | | | $0000...$16FF RAM < 6 K | | | ---------------------------------------------
Software
The ROM part of the KIM-1 MOD in the FM1808 consist of the KIM ROM (in the 6530-002), and Wozmon adapted for the KIM-1, placed at the empty space of the 6530-003 audio tape routines.
You find Wozmon at $1AA0 and the KIM monitor at $1C00.
Also the 6502 vectors at $FFFC-$FFFF are set to the KIM-1 -002 ROM.
There is enough space in $E000-$FFFB for other software.
To write to the FM1808, use the TL 866-II Plus or the XGecu T48.
Attached the complete dumb of the FM1808 in binary.
Download here 32K contents of the FM1008
The KIM ROM has a small modification
747 ; ** INITIALIZATION FOR SIGMA ** 748 1E88 A2 01 INITS LDX #$01 SET KB MODE TO ADDR 1E88 749 1E8A 86 FF STX MODE 750 1E8C A2 00 INIT1 LDX #$00 751 1E8E 8E 41 17 STX PADD FOR SIGMA USE SADD 752 1E91 A2 FF LDX #$FF was #$3F PB0..PB5 output, PB6 & PB7 input 753 1E93 8E 43 17 STX PBDD FOR SIGMA USE SBDD now PB0..PB7 output 754 1E96 A2 07 LDX #$07 ENABLE DATA IN 755 1E98 8E 42 17 STX SBD OUTPUT 756 1E9B D8 CLD 757 1E9C 78 SEI 758 1E9D 60 RTS
to manage the outputs to speaker (PB7) and the white Led (PB6).
The white Led is off during normal use of the board, except for RESET or High level to PB6
PLD file
Download here the ‘KIM1mod.pld’
Name KIM1mod ; PartNo 00 ; Date 22/01/2026 ; Revision 01 ; Designer Engineer Voyageur; Company dC ; Assembly None ; Location Australia ; Device g22v10 ; /* for NEW SBC KIM_1_mod */ /* */ /* compiles OK */ /* works OK */ /* *************** INPUT PINS *********************/ PIN 1 = PHI2 ; /* */ PIN 2 = ERW ; /* */ PIN 3 = A5 ; /* */ PIN 4 = A6 ; /* */ PIN 5 = A7 ; /* */ PIN 6 = A8 ; /* */ PIN 7 = A15 ; /* */ PIN 8 = A14 ; /* */ PIN 9 = A13 ; /* */ PIN 10 = A12 ; /* */ PIN 11 = A11 ; /* */ PIN 13 = A10 ; /* */ PIN 14 = A9 ; /* */ PIN 18 = SYNC ; /* */ /* *************** OUTPUT PINS *********************/ PIN 15 = !SBS ; /* */ PIN 19 = !CSROAM ; /* */ PIN 20 = !WERAM ; /* */ PIN 21 = !CS6532 ; /* $1740 - $177F 64 B */ PIN 22 = !CSEXT1 ; /* $1700 - $171F 32 B */ PIN 23 = !CSEXT2 ; /* $1720 - $173F 32 B */ /* DECLARATIONS AND INTERMEDIATE VARIABLES DEFS */ field ioaddr = [A15..5] ; RAM_eqn = (ioaddr:[0000..16FF]) ; EXT1_eqn = (ioaddr:[1700..171F]) ; EXT2_eqn = (ioaddr:[1720..173F]) ; RIOT_eqn = (ioaddr:[1740..177F]) ; RAM2_eqn = (ioaddr:[1780..17FF]) ; ROM_eqn = (ioaddr:[1800..1FFF]) ; RAM3_eqn = (ioaddr:[2000..5FFF]) ; ROM2_eqn = (ioaddr:[E000..FFFF]) ; ROAM_eqn = RAM_eqn # RAM2_eqn # RAM3_eqn # ROM_eqn # ROM2_eqn ; TOTRAM_eqn = RAM_eqn # RAM2_eqn # RAM3_eqn ; SBS_eqn = TOTRAM_eqn & SYNC ; /* LOGIC EQUATIONS */ CSROAM = ROAM_eqn & PHI2 ; WERAM = TOTRAM_eqn & (!ERW & PHI2 ) ; CS6532 = RIOT_eqn ; CSEXT1 = EXT1_eqn ; CSEXT2 = EXT2_eqn ; SBS = SBS_eqn ;

